Kontaktujte špecialistov z obchodného oddelenia alebo navštívte naše pobočky
Informácie
UNIREG je univerzálny regulátor určený na riadenie výkonu ohrievača vzduchotechnickej jednotky v závislosti od teploty v miestnosti alebo prívodnom potrubí. K dispozícii je trojbodový výstup alebo analógový výstup 0-10 V. Ohrievač môže byť:
- teplovodný - 3-bodovo riadený servopohon zmiešavacieho ventilu (alternatívne možno použiť servopohon s riadiacim napätím 0-10 V).
- elektrický - ovláda triakový spínač s napätím 0 -10 V
Elektrické ohrievače so zabudovanou výkonovou časťou a vstupom 0-10 V možno ovládať priamo regulátorom. Elektrické ohrievače bez výkonovej časti sa musia pripojiť cez výkonový regulátor (napr. JTR 2, JTR 12, JTR 18, JTR 24, TTC 40, TTC 2000).
Pomocou otočných regulátorov môže používateľ meniť požadovanú teplotu, proporcionálnu konštantu regulátora (kaskádový faktor) a nastaviť minimálnu teplotu privádzaného vzduchu na dohrievanie vetraného priestoru. Požadovanú teplotu možno nastaviť aj na diaľku. Výber funkcií regulátora UNIREG podľa použitej vetracej jednotky a spôsobu inštalácie snímačov sa vykonáva pomocou miniatúrnych prepínačov na doske plošných spojov; tie sú prístupné pod krytom svorkovnice poruchového relé.
Technické parametre
Základné technické údaje
- napájacie napätie 24 V AC
- vnútorná ochrana T 500 mA
(funkčný rozsah 20...35 V AC, predpokladá sa napájanie z bezpečnostného oddeľovacieho transformátora 230 V/23 V alebo 230 V/24 V, tolerancia vstupného sieťového napätia ±10%)
- spotreba 2 VA
- prevádzková teplota 0 až 40 °C
- teplota skladovania -20 až 50 °C
- vlhkosť okolia max. 90% relatívna vlhkosť vzduchu, nekondenzujúca
- rozmery (š x v x h) 105 x 90 x 73 mm
- montáž na DIN lištu TS35
- krytie IP20
- materiál škatule Noryl UL94 V-0
Vstupy
Senzory všeobecne
a) hlavný senzor
b) obmedzovací senzor
c) protimrazový senzor (v prípade regulácie výmenníka TV)
Nastavenie teploty - voliteľne externým potenciometrom cca 10 kΩ v rozsahu 0 až 30 °C
Hodiny ventilátora - temperuje výmenník TV len pri odpojenom vstupe (vypnutý ventilátor)
Výpadok elektrického ohrievača (núdzový termostat) - pri odpojení vypne analógový výstup pre ovládanie výstupu elektrického ohrievača, otvára poruchové a signalizačné relé
Snímače teploty
Snímače sú pripojené 2-vodičovým tieneným káblom bez ohľadu na polaritu, svorky v snímači sú len 2 a nie sú samostatne označené.
Kontrola zapojenia snímača
Ak je snímač odpojený od riadiacej jednotky, možno ho skontrolovať ohmmetrom. Pri teplote 25 °C má odpor 10,83 kΩ.
Typy snímačov teploty
TGBK 330 - pre vzduchotechnické potrubie, krytie IP67
TGBR 430 - pre priestor (miestnosť), krytie IP30, s voliteľným ovládacím prvkom na nastavenie teploty
TGBA 130 - zemný snímač, krytie IP67
Ďalšie informácie nájdete v návode na inštaláciu snímačov teploty alebo v katalógu.
Počet snímačov pripojených k regulátoru
K regulátoru sa pripájajú 1, 2 alebo 3 snímače. Hlavný snímač musí byť pripojený vždy, obmedzujúci snímač sa pripája v prípade regulácie na konštantnú teplotu v miestnosti. Ak sa regulátor používa na riadenie výkonu ohrievača teplej vody, na vratné potrubie okruhu teplej vody sa pripojí aj snímač mrazu.
Hlavný snímač teploty (S1)
Tento snímač je možné umiestniť do dvoch polôh podľa požadovanej regulačnej funkcie:
a) regulácia konštantnej teploty privádzaného vzduchu - snímač je umiestnený v prívodnej vetve vzduchovodu
b) regulácia konštantnej teploty v miestnosti - snímač je umiestnený vo vetranej
miestnosti
Snímač limitnej teploty (S2)
Pre reguláciu konštantnej teploty v miestnosti je za výmenníkom tepla umiestnený snímač limitnej teploty, ktorý obmedzuje kolísanie teploty privádzaného vzduchu. V prípade regulácie elektrického vykurovacieho telesa zabezpečuje obmedzenie teploty za vykurovacím telesom na 40 °C (pri vyšších teplotách sa vykurovacie teleso vypne).
V prípade regulácie konštantnej teploty privádzaného vzduchu sa obmedzovací snímač teploty nepripája.
Snímač teploty na ochranu proti zamrznutiu (S3)
Snímač ochrany proti zamrznutiu sa umiestňuje na vratné potrubie vodného okruhu ohrievača teplej vody, čo najbližšie k výmenníku tepla. Pri riadení elektrického ohrievača sa snímač protimrazovej ochrany nepoužíva - svorky musia byť skratované.
Výstupy
Signál pre pohon zmiešavacieho ventilu 24 V AC, max. 0,4 A, trojbodový výstup
Signál pre riadenie výkonu elektrického ohrievača 0 až 10 V, max. Výstupný prúd 10 mA
Signalizačné relé 24 V AC, 2 A
Spínací kontakt, spína v prípade nízkej teploty a zlyhania tepelnej ochrany elektrického ohrievača
Poruchové relé 230 V AC, 5 A, 1250 VA / 150 W
Spína v prípade nízkej teploty a poruchy tepelnej ochrany elektrického ohrievača
Pohon zmiešavacieho ventilu
Pohon zmiešavacieho ventilu teplovodného výmenníka má napájacie napätie 24 V AC a je trojbodovo ovládaný (signály otvoriť a zatvoriť). Regulátor ovláda pohon pomocou impulzov s periódou 4 s so striedaním, ktoré zodpovedá regulačnej odchýlke a nastaveným parametrom. Pri odchýlke väčšej ako 20 °C vzniká nepretržitý výstupný signál. Ak je odchýlka menšia ako 0,5 °C, pohon je v pokoji.
Výstup na pohon je chránený poistkou. Alternatívne je možné pripojiť servopohon riadený napätím 0-10 V - podrobnosti nájdete v schéme.
Riadenie smeru otáčania:
Zmiešavací uzol musí byť usporiadaný podľa všeobecných pokynov v časti Zmiešavací uzol. Pohon sa musí otvoriť, keď je odpojený snímač mrazu.
Regulátor výkonu elektrického ohrievača
Elektrický výmenník tepla je pripojený cez regulátor výkonu, ktorý prevádza analógový signál 0 až 10 V z výstupu regulátora na riadený výstup výkonu pre pripojenie výmenníka tepla.
Relé poruchy
Tento kontakt sa rozopne, keď je nízka hodnota mrazového snímača a zlyhá tepelná ochrana elektrického ohrievača. V prípade vzduchotechnickej jednotky s teplovodným výmenníkom tepla by mal byť kontakt zahrnutý do spínacieho obvodu ventilátora. V prípade elektrického výmenníka tepla nesmie byť zahrnutý do obvodu ventilátora.
Signalizačné relé Tento kontakt sa spína, keď je vyhlásený alarm - nízka teplota vody alebo prehriatie elektrického výmenníka tepla. Môže sa použiť na signalizáciu tohto stavu.
Vonkajšie nastavenie teploty
Diaľkové nastavenie teploty
Ak je regulátor prepnutý do režimu vonkajšieho nastavenia teploty, teplota sa nastavuje pomocou diaľkového ovládania - môže sa použiť napríklad snímač teploty s regulátorom TGBR 430 (môže sa použiť aj len prvok nastavenia teploty) alebo iný potenciometer pripojený na svorky vonkajšieho nastavenia teploty. Teplotu možno nastaviť v rozsahu 0 až 30 °C.
Vonkajší posun nastavenej hodnoty teploty
Tento vstup možno použiť na posun nastavenej hodnoty teploty o ±15 °C.
Napätie 5 V alebo ponechanie vstupu voľného znamená nulový posun teploty. Napätie 10 V znamená posun žiadanej hodnoty o +15 °C, napätie 0 V znamená posun žiadanej hodnoty o -15 °C. Závislosť nie je lineárna.
Vstup možno použiť napríklad na tlmenie teploty (v kombinácii so spínacími hodinami).
Ventilátorové hodiny
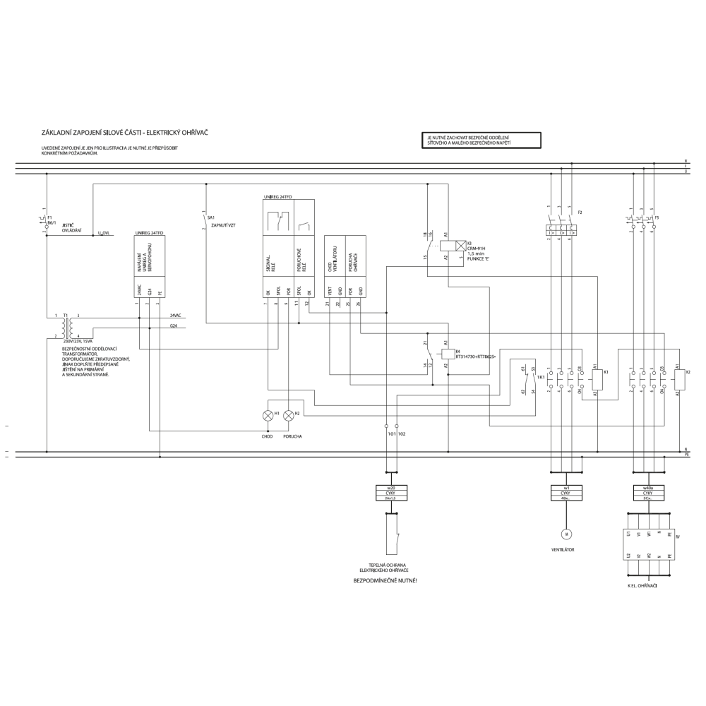
Pozrite si základnú schému zapojenia výkonovej časti. Tento vstup prepína regulátor medzi zastaveným prevádzkovým stavom a prevádzkovým stavom. Vstup je normálne spojený s chodom ventilátora HVAC.
Porucha elektrického ohrievača
Pozrite si základnú schému zapojenia výkonovej časti. Na tento vstup je pripojený beznapäťový rozpojovací kontakt v obvode ochrany pred núdzovým ohrevom elektrického výmenníka tepla. Pri jeho rozopnutí sa spustia poplachové relé a rozsvieti sa kontrolka ALARM. Alarm núdzovej tepelnej ochrany sa resetuje stlačením resetovacieho tlačidla na paneli regulátora (použite vhodný predmet, napr. zápalku, špajdľu atď.) alebo prerušením napájacieho napätia do regulátora. Havarijný termostat musí byť pripojený k napájaciemu obvodu výmenníka, nielen k svorkám regulátora, a niekedy si vyžaduje ručné odblokovanie termostatu. Pri ovládaní ohrievača teplej vody je tento vstup skratovaný.
Popis funkcií regulátora
Nastavenie požadovanej teploty (SETPOINT)
Tu nastavte požadovanú teplotu. Činnosť regulátora sa líši podľa typu regulácie (určuje sa podľa inštalácie a nastavenia):
Regulácia konštantnej teploty privádzaného vzduchu
Snímač teploty regulátora meria teplotu privádzaného vzduchu, regulátor reguluje výkon príslušného ohrievača tak, aby teplota privádzaného vzduchu zodpovedala nastavenej teplote. Nastavenia CF a MIN tu nemajú žiadny význam. Regulácia na konštantnú teplotu v miestnosti Snímač regulačnej teploty meria teplotu vo vetranom priestore. Ak je nameraná teplota vyššia alebo rovná nastavenej teplote, prívodný vzduch sa dohreje na teplotu nastavenú gombíkom MIN. Ak je v miestnosti chladnejšie, teplota vzduchu sa zvýši podľa nastavenia CF.
Zvýšenie teploty = (rozdiel medzi nastavenou a izbovou teplotou) x CF.
Typy regulácie
Pomocou prepínačov pod krytom svorkovnice možno nastaviť typ regulácie. Dôležité: Nastavenie prepínačov a skutočné umiestnenie snímačov teploty musia vždy zodpovedať.
Konštantná regulácia teploty privádzaného vzduchu
Regulátor reguluje výkon príslušného výmenníka tepla tak, aby teplota výstupného vzduchu zodpovedala nastavenej teplote. Hlavný snímač je umiestnený v prívodnej vetve vzduchovodu, obmedzujúci snímač nie je pripojený. Kaskádový faktor CF musí byť nastavený na hodnotu 1 (alebo sa nepoužije).
Regulácia na konštantnú teplotu v miestnosti
Účelom regulácie je dosiahnuť požadovanú teplotu v miestnosti. Používa sa kaskádová regulácia s obmedzením minimálnej teploty privádzaného vzduchu. Hlavný snímač je umiestnený vo vetranom priestore, obmedzujúci snímač je umiestnený za ohrievačom na mieste s dostatočným premiešaním vzduchu. Ak je teplota v miestnosti vyššia alebo rovná žiadanej hodnote, regulátor bude udržiavať teplotu privádzaného vzduchu na hodnote nastavenej reguláciou MIN (nastavená minimálna teplota privádzaného vzduchu). Ak teplota v miestnosti klesne pod nastavenú hodnotu, regulátor sa pokúsi o kompenzáciu zvýšením teploty privádzaného vzduchu. Rýchlosť zvyšovania teploty privádzaného vzduchu je určená kaskádovým faktorom CF. Napríklad, ak je teplota v miestnosti o 2 °C nižšia ako nastavená teplota a CF=5, regulátor privádza do miestnosti vzduch s teplotou o 10 °C vyššou ako nastavená teplota.
Kaskádový faktor musí byť nastavený tak, aby zohľadňoval zotrvačnosť riadeného systému, aby nedochádzalo k oscilácii teploty. Menší faktor spôsobí väčšiu stabilitu systému, väčší faktor spôsobí rýchlejšiu korekciu teplotného rozdielu.
Minimálna teplota by sa mala zvoliť s ohľadom na tepelné zisky v priestore, aby privádzaný vzduch mohol toto teplo odvádzať. Vysoká minimálna teplota by znemožnila korekciu vnútornej teploty smerom nadol (priestor by bol stále prehriaty), nízka minimálna teplota by mohla spôsobiť riziko poruchy klimatizácie z dôvodu nebezpečenstva zamrznutia výmenníka tepla.
Ochrana proti mrazu
Ak teplota na snímači ochrany proti mrazu klesne pod 10 °C, regulátor začne trvalo otvárať vodný ventil. Keď teplota klesne pod 5 °C, alarmové a signalizačné relé (ak je súčasťou okruhu ventilátora, ventilátor sa vypne) zmení svoj stav a rozsvieti sa indikátor ALARM. Alarm protimrazovej ochrany sa resetuje stlačením tlačidla RESET na paneli regulátora (tlačidlo je pod úrovňou panela, použite vhodný nástroj) alebo prerušením napájacieho napätia regulátora.
Režim zastavenia
Do tohto režimu regulátor prejde odpojením vstupu chodu ventilátora. V tomto režime sa snaží udržať teplotu 25 °C v mieste mrazového snímača (v prípade regulácie teplovodného výmenníka). Táto funkcia minimalizuje riziko zamrznutia (poruchy) a nepríjemného studeného prievanu pri spustení vzduchotechnickej jednotky. V prípade elektrického vykurovania sa v režime zastavenej prevádzky zablokuje výstup do elektrického výmenníka tepla (vstup mrazového snímača musí byť skratovaný)
Nastavenie typu regulácie
Funkcie regulátora možno nastaviť pomocou piatich prepínačov (sekcia 6 je bez funkcie), ktoré sa nachádzajú pod krytom ľavej dolnej svorkovnice. Krytku odhalíte tak, že do drážky v strede krytky zhora zasuniete vhodný skrutkovač (max. 3 mm široký), kým krytka nezacvakne a neuvoľní sa.
Typ ovládania sa nastavuje pomocou prepínačov 1, 3, 4 a 5.
Konštantná regulácia teploty privádzaného vzduchu
1 a 4 = VYPNUTÉ (posuvná poloha prepínača smerom nadol)
3 a 5 = ZAPNUTÉ (posuvná poloha prepínača smerom nahor)
Konštantná regulácia teploty v miestnosti
1 a 4 = ZAPNUTÉ
3 a 5 = VYPNUTÉ
Nastavenie teploty
Nastavenie na ovládači
2 = ON
Diaľkové nastavenie
2 = OFF
Miestne nastavenie teploty
Teplota sa nastavuje lokálne pomocou gombíka SETPOINT na paneli ovládača. Možno ju nastaviť v rozsahu 0 až 30 °C.
Kaskádový faktor
Kaskádový faktor sa nastavuje pomocou gombíka CF v rozsahu 1 až 15 podľa postupu popísaného v kapitole Regulácia pre konštantnú teplotu miestnosti.
Minimálna hraničná teplota
Tento parameter určuje minimálnu teplotu privádzaného vzduchu pre kaskádovú reguláciu. Nastavuje sa pomocou gombíka MIN v rozsahu 0 až 30 °C.
Pripojenie prvkov MaR
Zmiešavací uzol
Na obrázku je znázornené správne usporiadanie zmiešavacieho uzla:
Zmiešavací uzol sa musí nachádzať v bezprostrednej blízkosti výmenníka tepla. Pred zmiešavacím ventilom by sa mal nachádzať bočník, aby sa udržiaval konštantný tlakový pomer na primárnej strane. Správna poloha zmiešavacieho ventilu (kužeľový, vertikálny posun) je určená inštaláciou. Lacnejšou a často používanou alternatívou zmiešavacieho ventilu je zmiešavací (regulačný) škrtiaci ventil (ESBE). Správna poloha pohonu a regulačného hriadeľa sa nastaví tak, aby bol zárez na regulačnom hriadeli v otvorenej polohe v polohe B a v zatvorenej polohe v polohe A (nie AB). Po správnom natočení ovládacieho hriadeľa môže byť potrebné otočiť stupnicu na zmiešavacom ventile. Správna konštrukcia a inštalácia zmiešavacieho uzla sú rozhodujúce pre výslednú funkciu regulácie. Ak je zmiešavací ventil predimenzovaný, môže byť nemožné dosiahnuť požadovanú teplotnú stabilitu.
Pripojenie snímačov
Snímače teploty pripojte podľa schém v kapitole 8 pomocou odporúčaného alebo ekvivalentného typu kábla. Tienenie kábla musí byť ukončené v bezprostrednej blízkosti svoriek na pripojenie vodičov.
Hlásenie o poruche (ALARM)
Zvyčajne nejde o poruchu regulátora, ale len o reakciu na nebezpečné prevádzkové podmienky. Vzduchotechnická jednotka sa vypne. Obnovenie alarmu je možné až po odstránení príčiny alarmu. Opakované výskyty alarmov musí vyriešiť odborník.
Pri teplovodnom ohrievači alarm signalizuje riziko zamrznutia a prasknutia výmenníka tepla (príčinou môže byť napr. nedostatočný prívod vykurovacej vody).
Pri elektrickom ohrievači alarm signalizuje riziko prehriatia alebo v extrémnom prípade požiaru (napr. Príčinou môže byť neudržiavaný filter, a tým znížené množstvo privádzaného vzduchu)
Vnútorná poistka
UNIREG a výstup na pohon sú vnútorne chránené trubicovou poistkou T 500 mA, veľkosť 5x 20 mm. Poistka je prístupná v kryte pod krytom ľavej dolnej svorkovnice, výmena je možná len za typ s rovnakou hodnotou.
Všeobecné a bezpečnostné pokyny
Zariadenie sa smie používať len v určenom rozsahu použitia, v technicky bezchybnom stave, musia sa dodržiavať všetky upozornenia uvedené v tomto návode na inštaláciu. Bezpečnostné obvody sa nesmú vypínať.
Elektrické pripojenie
Zariadenie je určené na inštaláciu do rozvádzača. Napájací zdroj musí spĺňať požiadavky pre obvody typu SELV, pripojené obvody musia spĺňať požiadavky pre izolačné zariadenia triedy III. Zapojenie zariadenia môže vykonávať len osoba, ktorá spĺňa zákonné predpisy pre prácu na elektrických zariadeniach. Musia sa dodržiavať platné bezpečnostné normy, najmä ČSN 33 2000-4-41. Pred uvedením do prevádzky je nevyhnutné skontrolovať zapojenie. Pred uvedením zariadenia do prevádzky musí byť vykonaná východisková revízia elektrického zariadenia podľa ČSN 33 1500 a ČSN 33 2000-6-61.
Preškolenie osôb
Prácu na zariadení môžu vykonávať pracovníci s príslušnou elektrotechnickou kvalifikáciou, ktorí sú zároveň vyškolení a oboznámení so správnou funkciou použitých komponentov a vzduchotechnickej jednotky ako celku. Na obsluhu zariadenia musí byť personál prevádzkovateľa preukázateľne vyškolený.
Zmeny konštrukcie zariadenia
Na zariadení sa nesmú vykonávať žiadne zmeny bez písomného súhlasu výrobcu.
Údržba
Údržba zariadenia je súčasťou údržby celého rozvádzača. Údržba zahŕňa kontrolu dotiahnutia svoriek, kontrolu funkčnosti zariadenia vo vzťahu k teplote meranej snímačmi teploty a pod. Osobitnú pozornosť treba venovať bezpečnostným obvodom (napr. kapilárnej protimrazovej ochrane alebo tepelnej ochrane elektrického ohrievača) vrátane správnej reakcie riadiaceho systému. Akékoľvek zistené poruchy sa musia okamžite odstrániť. Tieto kontroly vykonáva minimálne raz ročne (alebo častejšie v závislosti od miestnych podmienok) autorizovaná odborná servisná spoločnosť.
Pri bežnej prevádzke zariadenia postačuje občasná kontrola stavu zariadenia, ktorú indikujú kontrolky regulátora.
POZOR! Počas akejkoľvek manipulácie so vzduchotechnickým zariadením (napr. kontrola remeňov ventilátora alebo výmena filtra) je potrebné vypnúť prívod elektrického prúdu do celej skrine hlavným vypínačom a zabezpečiť ho proti neočakávanému zapnutiu!
Inštalácia a rekuperácia
Povinné úlohy pri uvedení do prevádzky
- Overte správne pripojenie napájania
- Overte, či sú všetky svorky dotiahnuté
- Skontrolujte činnosť pohonov klapiek a plynulú prevádzku klapiek
- Skontrolujte činnosť zmiešavacieho ventilu, správne nastavte zmysel otáčania jeho pohonu (v prípade regulácie teplovodného výmenníka tepla)
- venujte osobitnú pozornosť tepelnému ochrannému obvodu elektrického ohrievača (v prípade regulácie elektrického výmenníka tepla)
- podľa umiestnenia snímača regulácie a voliča teploty správne nastavte prepínače DIP regulátora
- podľa charakteru VZT jednotky nastavte minimálnu medznú teplotu a kaskádový faktor
- skontrolujte funkčnosť celého rozvádzača a všetkých pripojených prvkov
- vykonajte východiskovú elektrickú kontrolu celého rozvádzača podľa pokynov v kapitole Všeobecné a bezpečnostné pokyny
- je potrebné zaškolenie osôb, ktoré budú zariadenie obsluhovať a viesť o tom záznam
Elektrické zapojenie zariadenia
Pri zapojení celého zariadenia sa musia dodržiavať najmä bezpečnostné aspekty a aspekty elektromagnetickej kompatibility definované platnými normami.
Káble musia byť zabezpečené mimo regulátora proti vytrhnutiu (napr. uložením do elektroinštalačnej lišty).
Ochranu pred nebezpečným dotykom živých a neživých častí regulátora zabezpečuje trieda izolácie III a použitie napájacieho zdroja SELV alebo PELV.
Dĺžka pripojených káblov by nemala presiahnuť 30 m pri tienených kábloch so zvislým presahom do 20 m.
Oddelenie obvodov bezpečného a sieťového napätia
Ke svorkám zariadenia UNIREG je (alebo môže byť) pripojené bezpečné (nízke) napätie, okrem svoriek poruchového relé (svorky 11-12), ktoré môžu byť pripojené priamo k ovládaciemu obvodu 230 V stykačov. Tento obvod musí byť izolovaný od obvodov bezpečného napätia, ako je opísané v nasledujúcom odseku.
Bezpečnostné oddelenie
Oddelenie v rozvádzači je prakticky možné:
- Priestorovým oddelením vodičov
- Vodiče bezpečného napätia musia byť okrem základnej izolácie uložené v nekovovom plášti (dodatočná izolácia - napr. izolačná rúrka).
- Musí sa zohľadniť možnosť dotyku medzi obvodmi rôznych napätí pri uvoľnení vodiča zo svorky. Ak by mohlo dôjsť ku kontaktu pri uvoľnení vodiča, vodiče musia byť zviazané aspoň v pároch alebo umiestnené v izolačnej rúrke. Viazané musia byť len vodiče rovnakej napäťovej skupiny. - V bežne používaných typoch káblov nie je dovolené viesť spolu obvody rôznych napätí (napr. obvod snímača a napájanie čerpadla).
Oddelenie z hľadiska EMC
Káblové trasy bezpečného a sieťového napätia musia byť oddelené z dôvodu požiadaviek na elektromagnetickú kompatibilitu.
- Je potrebné vybudovať 2 káblové trasy vo vzdialenosti minimálne 20-30 cm od seba, najlepšie s minimálnym križovaním. Prípustná je aj uzemnená kovová priečka v celej výške kovového uzemneného žľabu.
Ďalšie zásady EMC
Ak má hlavný prívod prierez vodiča menší ako 6 mm2, odporúča sa pripojiť regulátor k uzemňovacej sústave vodičom s prierezom minimálne 6 mm2 (meď) z dôvodu impedancie uzemňovacieho vodiča na odstránenie VF rušenia. Tienenie kábla je pripojené priamo k potenciálu PE v rozvádzači.
Certifikácia - elektrická bezpečnosť a EMC
Bezpečnosť:
Podľa normy EN 60730-1 +A1+A11+A12 (Automatické elektrické riadiace zariadenia pre domácnosť a podobné účely. Časť 1: Všeobecné požiadavky)
Elektromagnetická kompatibilita:
- Vyžarovanie podľa EN 50081-1:1994 (Elektromagnetická kompatibilita. Všeobecná norma týkajúca sa žiarenia. Časť prvá: Obytné, komerčné a ľahké priemyselné prostredie)
- odolnosť podľa EN 61000-6-2:2000 (Elektromagnetická kompatibilita (EMC) - Časť 6-2: Všeobecné normy - Odolnosť pre priemyselné prostredie)
Dodržaním pokynov v návode by nemalo vzniknúť žiadne riziko týkajúce sa bezpečnosti, zdravia a životného prostredia v súlade so smernicami ES (s označením CE). To isté platí pre ostatné výrobky použité v zariadení alebo pri inštalácii. Nasledujúce všeobecné informácie považujte za dôležité:
• dodržujte bezpečnostné pokyny, aby nedošlo ku škodám na zariadení či k zraneniu osôb
• technické informácie uvedené v tomto návode nesmú byť menené
• je zakázané zasahovať do motora zariadenia
• aby zariadenie vyhovovalo smerniciam ES, musí byť zariadenie pripojené k elektrickej sieti v súlade s platnými predpismi
• zariadenie musí byť nainštalované takým spôsobom, aby za bežných prevádzkových podmienok nemohlo dôjsť ku kontaktu s akoukoľvek pohyblivou časťou a/alebo časťou pod napätím
• zariadenie vyhovuje platným predpisom pre prevádzku elektrických zariadení
• pred akýmkoľvek zásahom do zariadenia je nutné ho vždy odpojiť od napájania
• pri manipulácii či údržbe zariadenia je nutné používať vhodné nástroje
• zariadenie musí byť používané iba na účely, na ktoré je určené
• tento spotrebič nesmú používať deti mladšie ako 8 rokov a osoby so zníženými fyzickými, zmyslovými či mentálnymi schopnosťami alebo osoby s nedostatkom skúseností a znalostí, pokiaľ nie sú pod dozorom zodpovednej osoby alebo pokiaľ neboli dostatočne poučené o bezpečnom používaní zariadenia a u ktorých nemôže dôjsť k pochopeniu rizík s tým spojených.
• užívateľ musí zabezpečiť, aby sa so zariadením nehrali deti
• čistenie a údržbu zariadenia nesmú vykonávať deti bez dozoru


Zdieľať na Facebooku
Tweet
Odoslať e-mail







